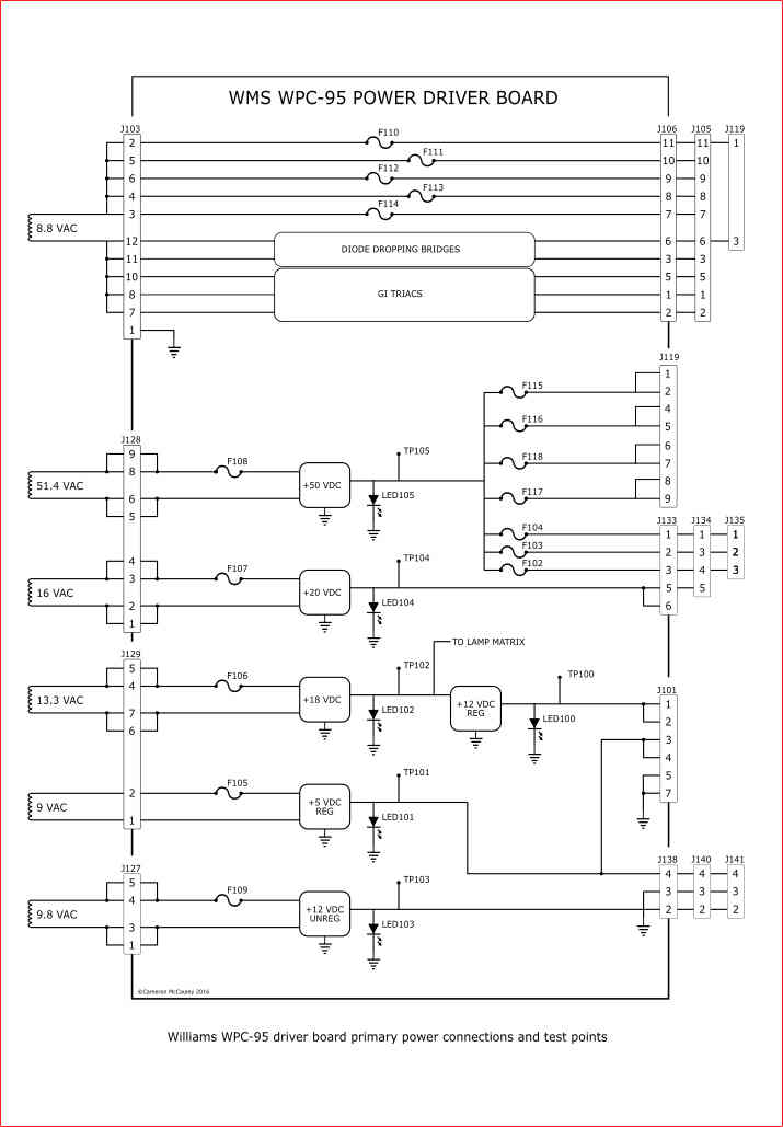
LEDs und Testpunkte auf WPC-95-Strom-/Treiberplatinen in deutsch
| LED/Testpunkt |
Erläuterung |
|
LED100-TP100
|
Normalerweise beleuchtet. Zeigt das Vorhandensein einer geregelten 12-V-Gleichspannung an. Die Wechselspannung wird durch D11-D14 auf etwa 18 VDC gleichgerichtet und durch C11 und C12 geglättet. D1 und D2 werden verwendet, um die Spannung um 1,0 bis 1,4 V zu senken, und dann wird die Spannung durch den LM7812 an Q2 weiter heruntergeregelt. Diese 12-V-Gleichstromversorgung wird in den Schaltplänen als „+12 V Digital“ angezeigt. |
|
LED101-TP101
|
Normalerweise beleuchtet. Zeigt das Vorhandensein geregelter 5 V Gleichspannung an. Wechselspannung wird durch D7-D10 gleichgerichtet und durch C9 geglättet. Die Spannung wird vom LM317K an Q1 heruntergeregelt. Diese 5-V-Gleichstromversorgung wird in den Schaltplänen als „+5 V Digital“ angezeigt. |
|
LED102-TP102
|
Normalerweise beleuchtet. Zeigt das Vorhandensein einer ungeregelten 18-V-Gleichspannung an. Die Wechselspannung wird durch D11-D14 auf etwa 18 VDC gleichgerichtet und durch C11 und C12 geglättet. Diese 18-V-Gleichstromspannung wird zur Stromversorgung der Lampenmatrixlampen verwendet und anschließend zur Verwendung in der Schaltmatrix auf 12 V geregelt. |
|
LED103-TP103
|
Normalerweise beleuchtet. Die Wechselspannung wird von D3-D6 auf etwa 12 VDC gleichgerichtet und von C8 geglättet, um ungeregelte 12 VDC-Leistung bereitzustellen. Diese 12-V-Gleichstromversorgung wird in den Schaltplänen als „+12 V ungeregelt“ angezeigt. Es dient zur Stromversorgung von Motoren und anderen Spielfunktionen, die keine genaue 12-V-Gleichspannung benötigen. |
|
LED104-TP104
|
Normalerweise beleuchtet. Zeigt das Vorhandensein von ungeregelten 20 VDC an. Wechselspannung wird durch D15-D18 gleichgerichtet und durch C10 geglättet. Die Spannung wird zur Stromversorgung der Blitzlampen verwendet. Beachten Sie, dass bei allen WPC-95-Spielen ein „Münztür-Verriegelungsschalter“ vorhanden ist. Dieser Schalter unterbricht die Stromversorgung sowohl des 20-V-Gleichstrom- als auch des 50-V-Gleichstromkreises, wenn die Münztür geöffnet wird, und bietet so ein gewisses Maß an Sicherheit gegen Stromschläge mit höherer Spannung. Wenn die Münztür bei angelegtem Strom geöffnet wird, erlischt diese LED. Es leuchtet nicht, wenn die Münztür geöffnet ist. |
|
LED105-TP105
|
Normalerweise beleuchtet. Zeigt das Vorhandensein von ungeregelten 50 VDC an. Dieser Testpunkt misst tatsächlich 70–75 VDC. Diese Kraft wird für alle Spulen im Spiel verwendet. Die Wechselspannung wird durch D19-D22 auf etwa 75 VDC gleichgerichtet und durch C22 etwas geglättet. |
|
TP106
|
Nullkreuz. Mithilfe eines Oszilloskops ermöglicht dieser Testpunkt die Prüfung der „Nulldurchgangs“-Schaltung. „Nulldurchgang“ liegt vor, wenn die Wechselstrom-Sinuswelle den Nullspannungspunkt relativ zur Erde durchquert. Der Nulldurchgang ist wichtig für den ordnungsgemäßen Betrieb des Allgemeinbeleuchtungslampenkreises. |
|
TP107
|
Boden . Mit diesem Prüfpunktbolzen können alle Gleichspannungen gemessen werden. |

Zusammenfassendes Schema der WPC-95-Leistungstreiberplatine mit Test-LEDs und Testpunkten.