| LED/Testpunkt |
Erläuterung |
|
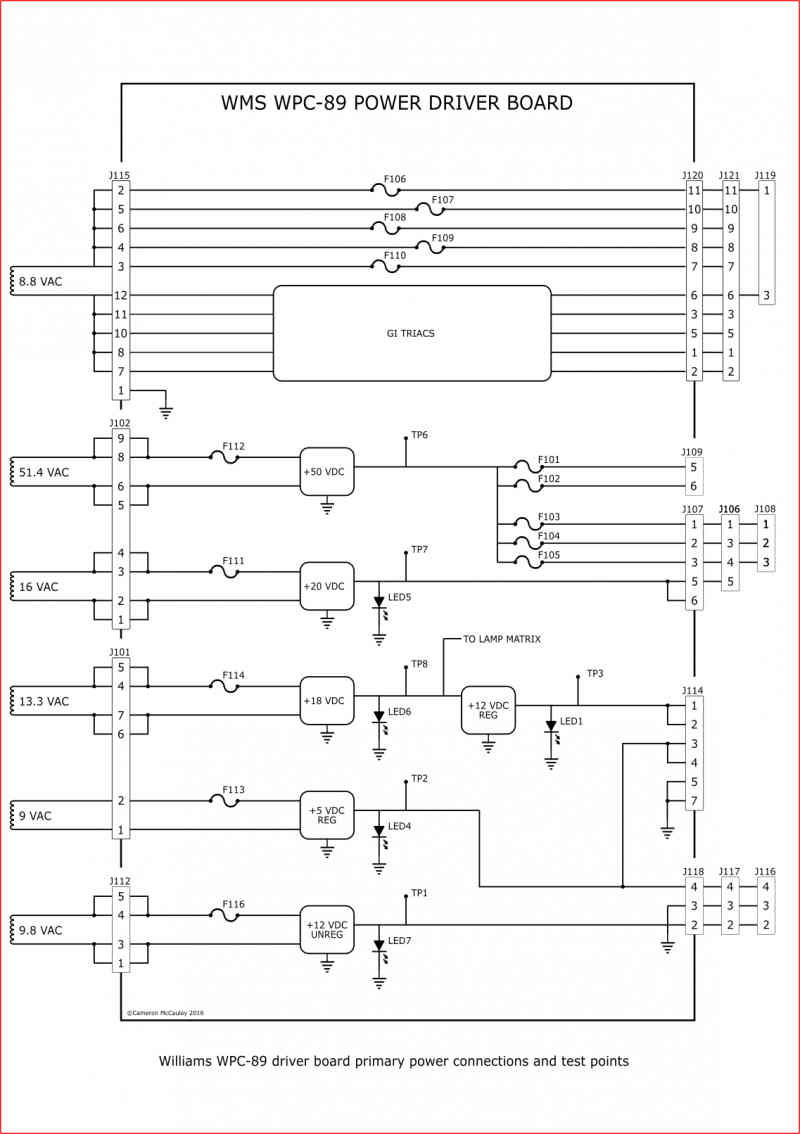
LED1-TP3
|
Normalerweise beleuchtet. Zeigt das Vorhandensein einer geregelten 12-V-Gleichspannung (12 VR) an. Die Wechselspannung wird durch BR1 auf etwa 18 VDC gleichgerichtet und durch C6 und C7 geglättet (diese Leistung wird für die Lampenmatrix abgegriffen). D1 und D2 werden verwendet, um die Spannung um 1,0 bis 1,4 V zu senken, und dann wird die Spannung durch den LM7812 an Q2 weiter heruntergeregelt. Diese 12-V-Gleichstromversorgung wird in den Schaltplänen als „+12 V Digital“ angezeigt. Diese Leistung wird durch F114 abgesichert. Wenn LED6 nicht leuchtet, leuchtet auch LED1 nicht. |
|
LED2-kein TP
|
Falls installiert, zeigt es die hohe/niedrige Netzspannung an. Diese LED ist nicht sehr nützlich, da sie flackert, wenn der Stromverbrauch des Spiels schwankt. |
|
LED3-kein TP
|
Falls installiert, zeigt es die hohe/niedrige Netzspannung an. Diese LED ist nicht sehr nützlich, da sie flackert, wenn der Stromverbrauch des Spiels schwankt. |
|
LED4-TP2
|
Normalerweise beleuchtet. Zeigt das Vorhandensein geregelter 5 V Gleichspannung an. Wechselspannung wird durch BR2 gleichgerichtet und durch C5 geglättet. Die Spannung wird vom LM323K an Q1 heruntergeregelt. Diese 5-V-Gleichstromversorgung wird in den Schaltplänen als „+5 V Digital“ angezeigt. Diese Leistung wird durch F113 abgesichert. |
|
LED5-TP7
|
Normalerweise beleuchtet. Zeigt das Vorhandensein von ungeregelten 20 VDC an. Wechselspannung wird durch BR4 gleichgerichtet und durch C11 geglättet. Die Spannung wird zur Stromversorgung der Blitzlampen verwendet. Beachten Sie, dass irgendwann während der Produktion von Twilight Zone im Jahr 1993 ein „Münztürverriegelungsschalter“ hinzugefügt wurde. Dieser Schalter unterbricht die Stromversorgung sowohl des 20-V-Gleichstrom- als auch des 50-V-Gleichstromkreises, wenn die Münztür geöffnet wird, und bietet so ein gewisses Maß an Sicherheit gegen Stromschläge mit höherer Spannung. Wenn die Münztür bei angelegtem Strom geöffnet wird, erlischt diese LED. Es leuchtet nicht, wenn die Münztür geöffnet ist. Diese Leistung wird durch F111 abgesichert. |
|
LED6-TP8
|
Normalerweise beleuchtet. Zeigt das Vorhandensein einer ungeregelten 18-V-Gleichspannung an. Die Wechselspannung wird durch BR1 auf etwa 18 VDC gleichgerichtet und durch C6 und C7 geglättet. Dieser 18-V-Gleichstrom wird zur Stromversorgung der Lampenmatrixlampen verwendet. Diese Leistung wird durch F114 abgesichert. |
|
LED7-TP1
|
Normalerweise beleuchtet. Die Wechselspannung wird durch BR5 auf etwa 12 V Gleichspannung gleichgerichtet und durch C30 geglättet, um ungeregelte 12 V Gleichspannung bereitzustellen. Diese 12-V-Gleichstromversorgung wird in den Schaltplänen als „+12-V-Stromversorgung“ angezeigt. Es dient zur Stromversorgung von Motoren, Optomotoren und anderen Spielfunktionen, die keine präzise 12-V-Gleichstromversorgung erfordern. Diese Leistung wird durch F116 abgesichert. |
|
TP4
|
Nullkreuz. Mithilfe eines Oszilloskops ermöglicht dieser Testpunkt die Prüfung der „Nulldurchgangs“-Schaltung. „Nulldurchgang“ liegt vor, wenn die Wechselstrom-Sinuswelle den Nullspannungspunkt relativ zur Erde durchquert. Der Nulldurchgang ist wichtig für den ordnungsgemäßen Betrieb des Allgemeinbeleuchtungslampenkreises. |
|
TP5
|
Boden . Mit diesem Prüfpunktbolzen können alle Gleichspannungen gemessen werden. |
|
TP6
|
50 VDC-Stromversorgung. Dieser Testpunkt misst tatsächlich 70–75 VDC, was normal und erwartet ist. Diese Energie wird für alle Spulen im Spiel verwendet, einschließlich der Flossen. Diese Leistung wird durch F112 abgesichert. Einzelne Spulenstromkreise werden durch F101 bis F105 abgesichert . F112 schützt sowohl BR3 als auch die Brückengleichrichterschaltung auf der FlipTronic II-Platine. Sollte F112 durchbrennen, entfernen Sie J104 (oder J105). Tauschen Sie die Sicherung aus. Ein. Wenn die Sicherung durchbrennt, ist BR3 wahrscheinlich ausgefallen. Wenn dies der Fall ist, ist wahrscheinlich der Brückengleichrichter auf der FlipTronics II-Platine ausgefallen. |