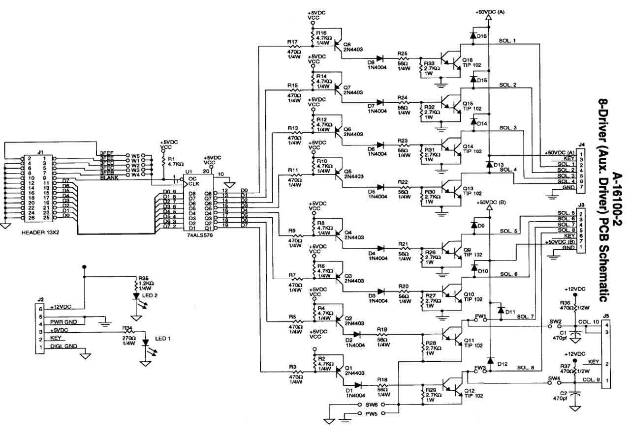
Bei einigen WPC-Geräten befindet sich die Zusatzplatine mit 8 Treibern oben rechts in der Backbox. Die Platine ist für den Betrieb von Blinkern, Magnetspulen mit geringer Leistung und möglicherweise Motoren ausgelegt.
Die Anschlussbeschriftung ist schwierig, da die 8-Treiberplatine über ein Flachbandkabel gesteuert wird, das mit dem „Display“-Anschluss auf der WPC-CPU-Platine (J204) verbunden ist. Die Bezeichnung „Display“ ist ein historisches Artefakt und bezieht sich auf die in Funhouse verwendete alphanumerische Anzeige.

Ein Beispiel für eine 8-Treiberplatine

A-16100-Schaltpläne
Das Board verfügt über 8 Ausgänge, die von TIP-102-Transistoren mit einem 2N4403-Vortreiber angesteuert werden, ähnlich dem WPC-Leistungs-/Treiberboard (das einen 2N5401 als Vortreiber verwendet). Das Brett wird in folgenden Spielen verwendet:
- Demolition Man
- Indiana Jones
- Roadshow
- Star Trek: Die nächste Generation
- Dämmerungszone
Die Schaltkreise auf der Platine können überbrückt werden, um der Schaltmatrix eine oder zwei weitere Spalten hinzuzufügen. Dies macht das Spielbrett flexibler, erfordert aber möglicherweise auch unterschiedliche Jumper, um das Spielbrett in verschiedenen Spielen zu verwenden (dh die Spielbretter sind nicht vollständig zwischen den Spielen „so wie sie sind“) austauschbar.
Jumper, die für Demolition Man und Roadshow installiert werden sollen, sollten...
Jumper, die für Twilight Zone, Star Trek: The Next Generation und Indiana Jones installiert werden sollen, sollten...
Indiana Jones, Star Trek: The Next Generation und Twilight Zone nutzen Q12 über die J5-1-Verbindung, um diese Spalte hinzuzufügen. Obwohl Twilight Zone die Spalte hinzufügt, wird sie während des Schaltertests (T.1) nicht angezeigt. Die Säule dient zum Ablesen der 8 Optogeber im Uhrwerk.