
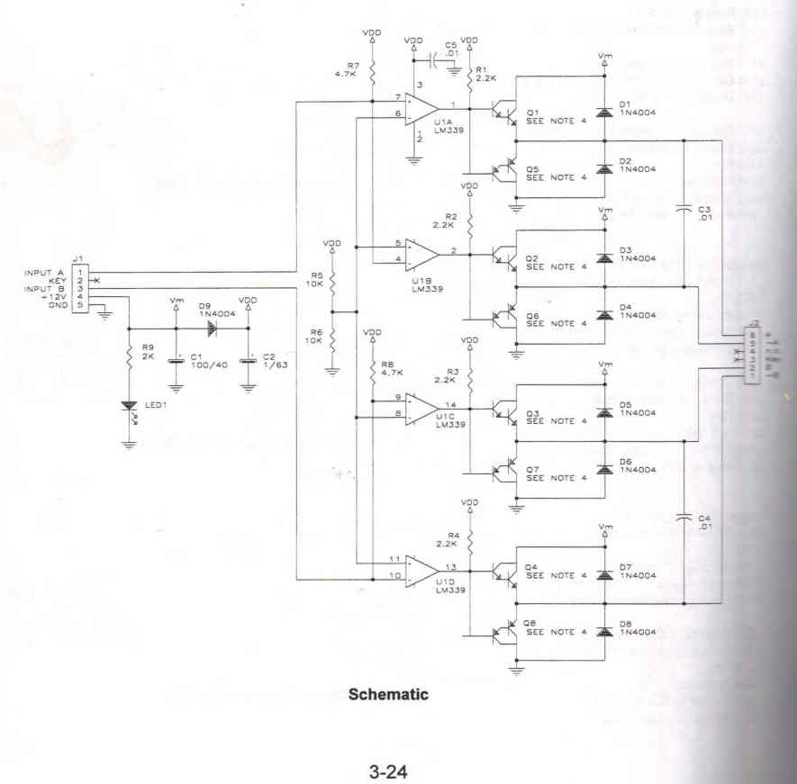
WMS Schrittmotor-Treiberplatine)
Die Schrittmotor-Treiberplatine wird nur in WhoDunnit (Slot Machine Reels) verwendet. Drei dieser Platinen werden zum Antrieb der drei Schrittmotoren der Spielautomatenrollen verwendet.

Schaltpläne für die Schrittmotortreiberplatine A-19043-1. Leider erscheinen diese Schaltpläne weder im WhoDunnit-Handbuch noch anderswo.