
WMS 3 Opto Controller Board (wie unter dem Spielfeld von Indiana Jones gezeigt)
Es gibt verschiedene Varianten des A-13901 / A-17402 3 Opto-Controller-Boards, die in mehreren Spielen verwendet werden. Spiele wie Indiana Jones, CFTBL, Fish Tales, High Speed 2, Hurricane, Slugfest, Funhouse und Hot Shot verwendeten alle eine Version dieses Bretts. Die verwendeten Teilenummern sind:
- A-13901-1-AI
- A-13901-1
- A-13901-2
- A-13901-3
- A-13901-AI
- A-13901
- A-17402-3

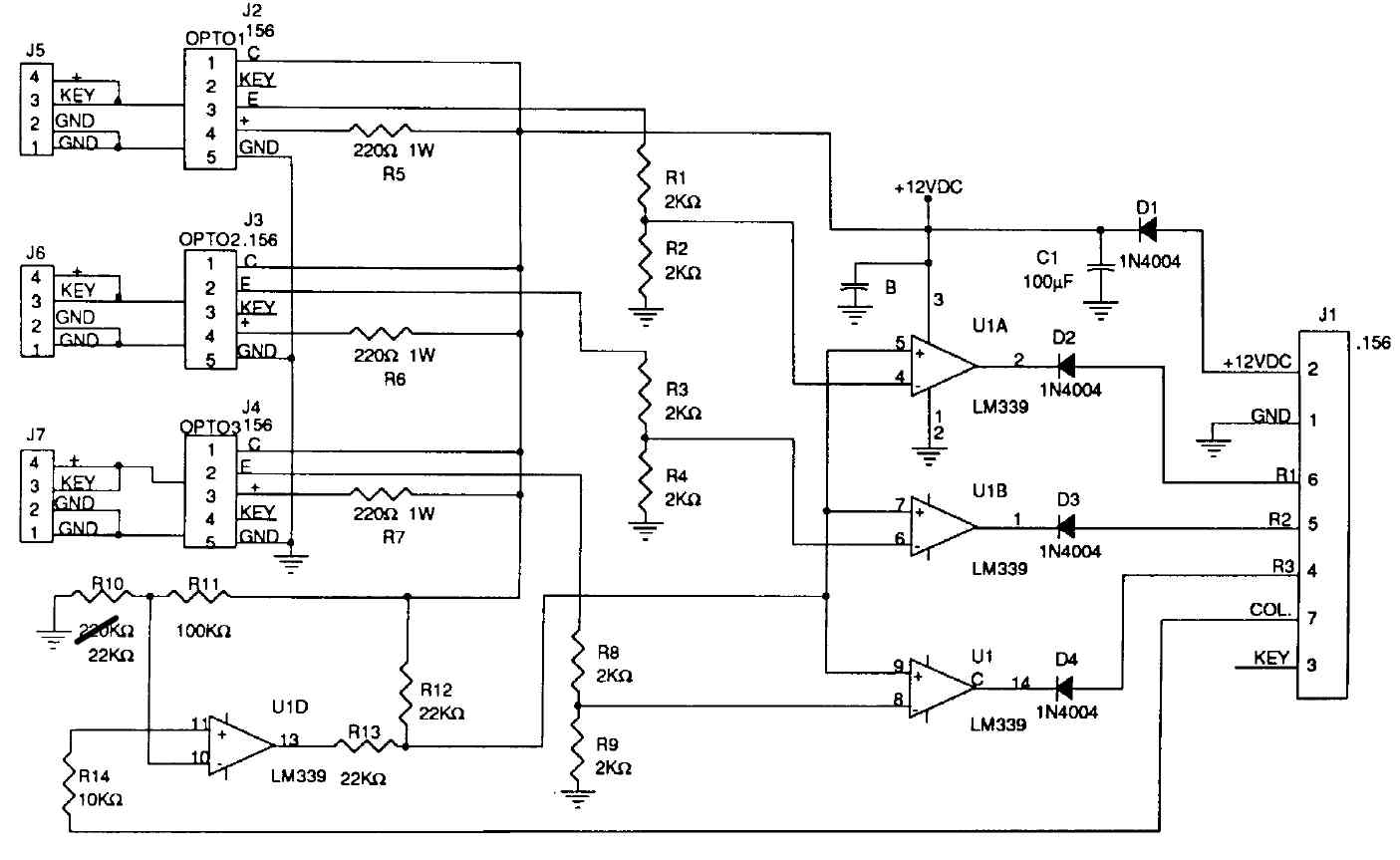
Schaltpläne für A-13901 / A-17402-3 3 Opto-Controller-Board (*Hinweis: Der R10-Wert wurde geändert, um den 22K-Wert in den Schaltplänen zu korrigieren)