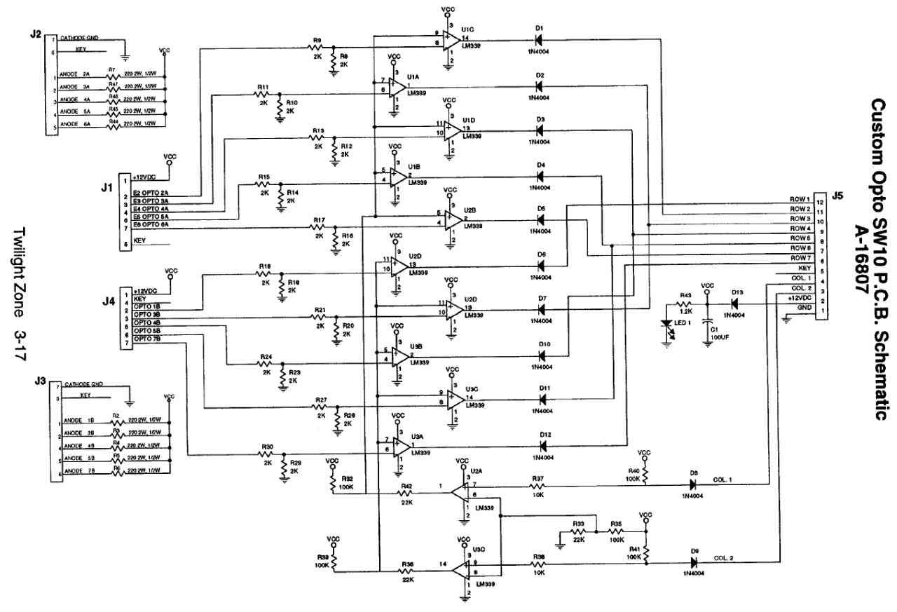
Dieses 10-Opto-Board erschien nur in Twilight Zone. Wie man sehen kann, unterscheidet es sich (zumindest) in der Pinbelegung von der weiter verbreiteten 10-Opto-Platine oben.

Twilight Zone-spezifisches 10-Opto-Board.

Twilight Zone-spezifische 10 Opto-Board-Schaltpläne
Was läuft schief?
Siehe „ WPC 10 Opto Board (A-15430, A-18159, A-20246) “ oben.