Suche
werden Ersatzteile für den Flipper gebraucht?
Kein Problem!
Bestelle einfach hier:
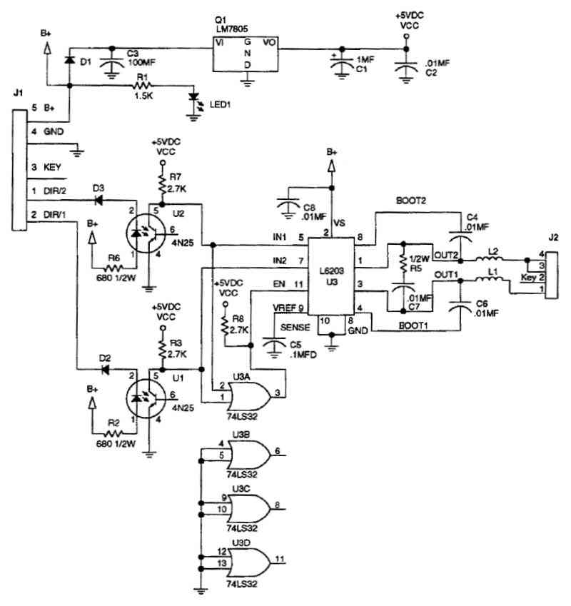
A-16120 Gleichstrommotor-Steuerplatine
Dieses Board wird in Cactus Canyon, Demo Man, Monster Bash, No Good Gophers, The Shadow, Twilight Zone, Theater of Magic und World Cup Soccer verwendet.
Schaltpläne der Gleichstrommotor-Steuerplatine A-16120
{{.}}
{{{.}}}