Das 10-Opto-Board wurde in Bram Stokers Dracula, Dr. Who, Indiana Jones, Pinball Circus, Popeye, Cactus Canyon, Corvette, Monster Bash, Medieval Madness, Revenge From Mars, SafeCracker, SWE1, Shadow, Congo, Indianapolis 500 usw. verwendet Fußballweltmeisterschaft.
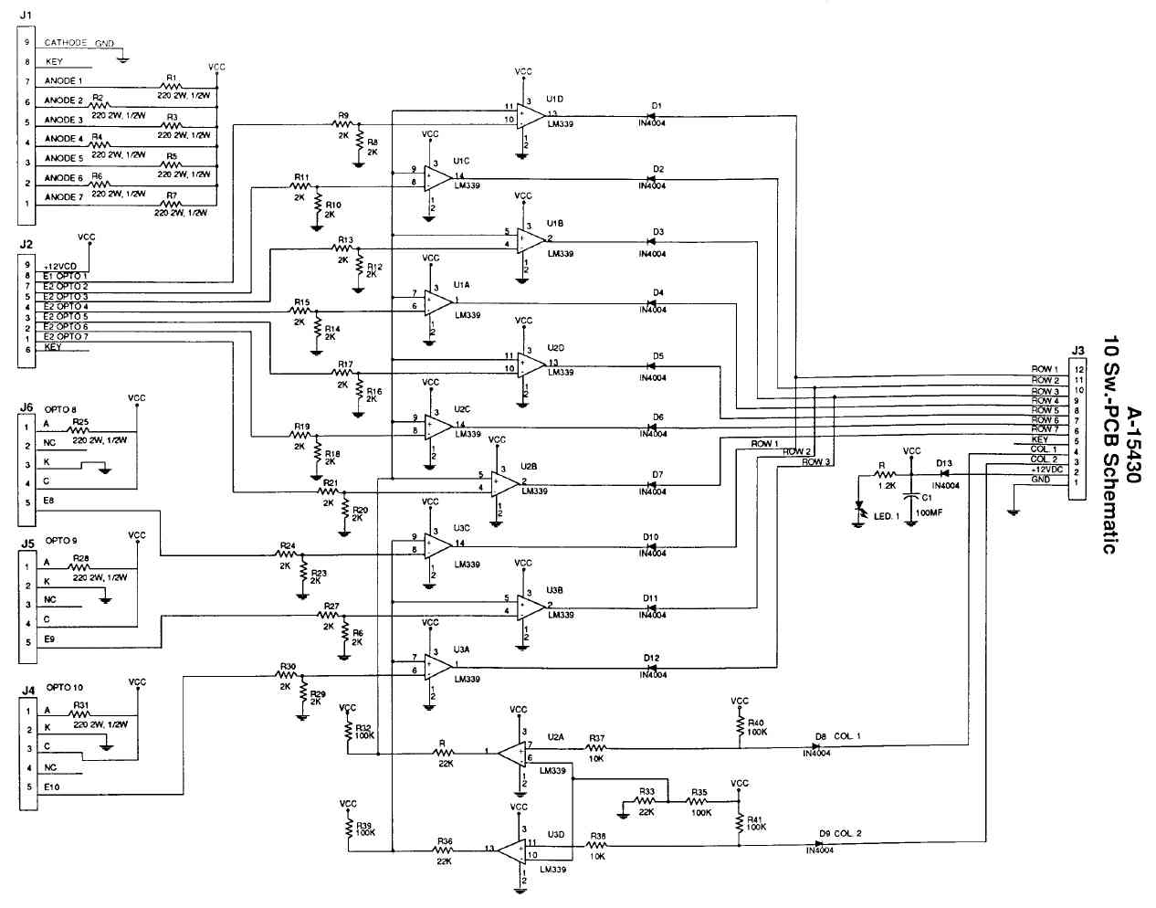
Der Anschluss oben links führt die Stromversorgung für sieben der IR-Emitter. Die Emitter werden von der +12-V-Versorgung über einen 260-Ohm-Widerstand (die großen blauen Widerstände neben dem Anschluss) mit Strom versorgt. Williams betreibt die Opto-Emitter mit etwa 40 mA, was dazu führt, dass die Widerstände heiß werden. Durch die Hitze verdunkeln sich die Optoplatinen oft, wie im nebenstehenden Bild zu erkennen ist.
Der Anschluss unten links führt die Signale für die Fototransistoren. Der Kollektor des Fototransistors ist mit +12 V verbunden und sein Emitter ist über zwei in Reihe geschaltete 2-KOhm-Widerstände mit Masse verbunden. Wenn der Transistor vom Emitter beleuchtet wird, leitet er mehr Strom durch die Widerstände und erhöht so die Eingangsspannung am LM339. Der andere Pin am LM339 wird durch einen 100K/22K Spannungsteiler auf etwa 2,8V eingestellt. Wenn die Spannung an der Verbindung der beiden 2K-Widerstände und dem LM339-Eingang über 2,8 V liegt, wird der Schalter daher als geschlossen angezeigt. Dies geschieht bei 1,4 mA.
Diese beiden Anschlüsse können für optische Schaltwannen verwendet werden. Die drei Anschlüsse auf der rechten Seite übertragen jeweils Signale für ein Sender-/Empfängerpaar. Diese Verbindungen werden häufig für Rampeneingänge verwendet und manchmal wird das Paar an einer einzigen Halterung montiert.
Der Anschluss an der Unterseite stellt die Schnittstelle der Zeilen-/Spalten-Schaltmatrix zur MPU bereit.

Beispiel WPC 10 Opto Board.

Beispielschaltpläne einer WPC 10-Optoplatine