Das „Dual H-Driver Motor Control Board“ kommt bei Corvette und auf der Road Show zum Einsatz. Bei Corvette treibt es die beiden kleinen Motoren an, die die Rennstrecke für zwei Autos auf der rechten Seite des Spielfelds beleben. Für die Roadshow steuert es die Mundmotoren von Red und Ted.
Obwohl die Platine zwei unterschiedliche Teilenummernbezeichnungen hat, sind sie tatsächlich identisch.
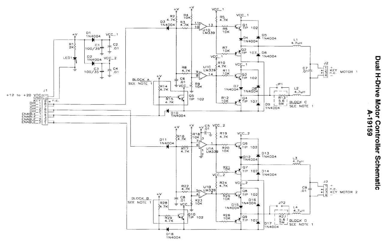
Hinweis: Teile, die in den Schaltplänen von „Block A“ und „Block B“ umschlossen sind, werden nicht gestopft.
Betrieb
Die Stromversorgung der Platine erfolgt entweder mit 12 VDC (J118/2, Roadshow) oder 20 VDC (J107/6, Corvette) über die Stromversorgungs-/Treiberplatine.
Jeder „Kanal“ erhält ein Richtungs- und ein Freigabesignal. Das Signal ist entweder geerdet oder erdfrei.
Vier Transistoren auf der Power-/Treiberplatine liefern diese Signale (drei Transistoren für Corvette, da beide Motoren im Spielbetrieb immer in die gleiche Richtung laufen, entweder vorwärts oder rückwärts).
Die Erdung des „Enable“-Pins für einen Kanal ermöglicht die Stromversorgung des zugehörigen Motors.
Wenn Sie den „Richtungs“-Pin für einen Kanal erden (oder frei lassen), dreht sich der Motor entweder im oder gegen den Uhrzeigersinn.
Dual-H-Drive-Motorsteuerplatine (A-19159/A-19242-1)