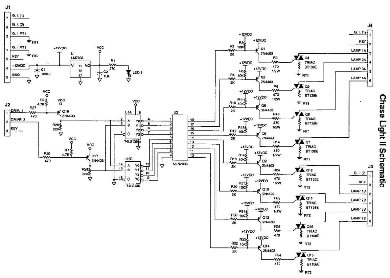
Dieses Brett wird für die Lauflampen verwendet, die sich rund um die Rampen und die Whirlpool-Schüssel in Creature From the Black Lagoon befinden.
Acht BT138-Triacs, die von 2N4403-Transistoren vorgesteuert werden, steuern acht diskrete Lampenstränge. Zusätzlich zum Lampenverlauf können die Lampenketten für einen besonderen Effekt gedimmt werden.

A-15541 Chase Light II-Platine

A-15541 Chase Light II Platinenschema