Das 7 Opto Board wird in folgenden Spielen verwendet:
- Attack from Mars
- Cirqus Voltaire
- Demolition Man
- Flintstones
- Jackbot
- Judge Dredd
- Johnny Mnemonic
- NBA Fastbreak
- Road Show
- The Addams Family
- The Addams Family Gold
- Theatre of Magic
- Tales of the Arabian Nights
- World Cup Soccer
- White Water

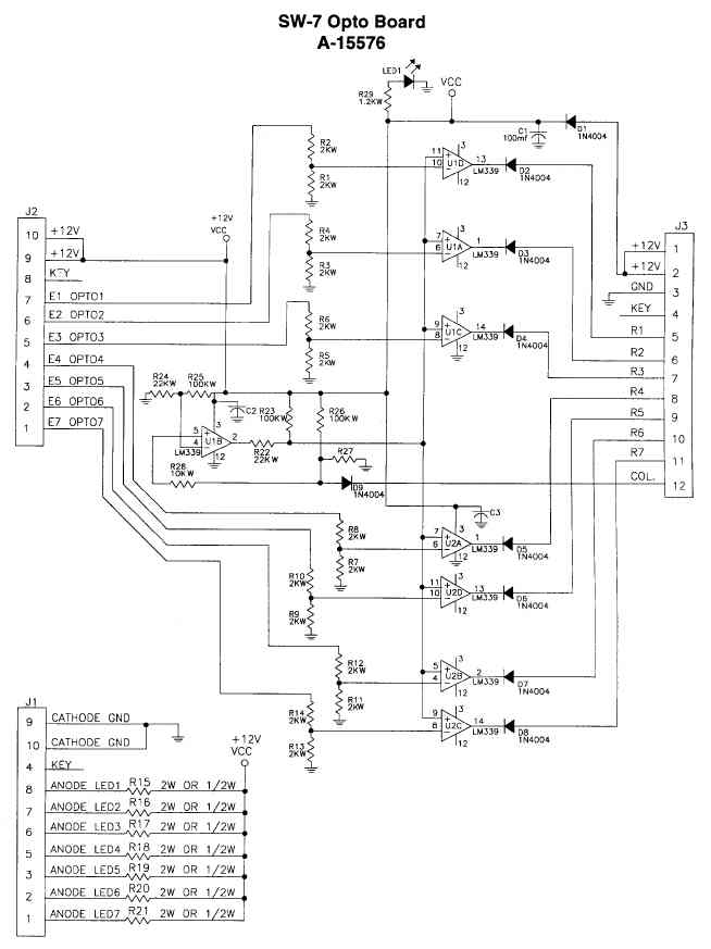
Beispiel für ein WPC 7 Opto Board, wie es in AFM und vielen anderen WPC-Spielen zu finden ist.
Der Anschluss unten links (wie abgebildet) versorgt sieben IR-Strahler mit Strom. Die Emitter werden von der 12-V-Versorgung über einen 260-Ohm-Widerstand (die großen blauen Widerstände neben dem Anschluss) mit Strom versorgt. Williams betreibt die Opto-Emitter mit etwa 40 mA, was dazu führt, dass die Widerstände heiß werden. Die Opto-Platinen werden oft durch die Hitze dunkel, so wie dieses hier.
Der Anschluss oben links führt die Signale für die Fototransistoren. Der Kollektor des Fototransistors ist mit 12 V verbunden und sein Emitter ist über zwei in Reihe geschaltete 2-kOhm-Widerstände mit Masse verbunden. Wenn der Transistor vom Emitter beleuchtet wird, leitet er mehr Strom durch die Widerstände und erhöht so die Eingangsspannung am LM339. Der andere Pin am LM339 ist auf etwa 2,8 V eingestellt (kaufen Sie einen 100K/22K-Spannungsteiler). Wenn die Spannung an der Verbindung der beiden 2K-Widerstände und dem LM339-Eingang über 2,8 V liegt, wird der Schalter daher als geschlossen angezeigt. Dies geschieht bei 1,4 mA.
Die beiden Anschlüsse auf der linken Seite können für optische Durchgangsschalter verwendet werden. Der Anschluss auf der rechten Seite stellt die Schnittstelle der Zeilen-/Spalten-Schaltmatrix zur MPU bereit.

7 Opto-Board-Schaltpläne.