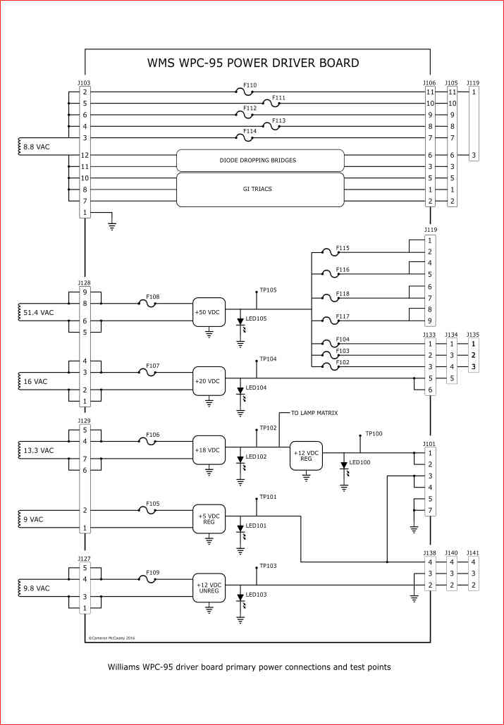
Das WPC-95 Power/Driver-Board erfüllt dieselben Funktionen wie sein WPC-Vorgänger und integriert außerdem Flipper-Stromkreise in das Design, sodass das FlipTronics-Board, das in WPC FlipTronics I- und II-Spielen sowie WPC-S vorhanden ist, nicht mehr erforderlich ist Spiele. Die Brückengleichrichter werden durch gebündelte 6A2-Dioden ersetzt und die Filterkondensatoren wurden von 15.000 µF auf 10.000 µF herabgesetzt. Während die WPC-P/D-Karte die Helligkeitssteuerung von fünf allgemeinen Beleuchtungskreisen unterstützt, kann die WPC-95-P/D-Karte die Helligkeit von nur drei allgemeinen Beleuchtungskreisen steuern. Die beiden verbleibenden GI-Schaltkreise werden für die Backbox-Beleuchtung verwendet.

Zusammenfassendes Schema der WPC '95-Leistungstreiberplatine mit Test-LEDs und Testpunkten.

WPC-95 Strom-/Treiberplatine. Dies ist das spätere Modell, bei dem im GI-Schaltkreis unten links Null-Ohm-Jumper installiert sind.